'
LCP-M16K05CX-H300K工业线阵相机,采用16384×256线TDI黑白ECCD Sensor,该Sensor同时兼具CCD TDI传感器的高灵敏度、高信噪比以及CMOS TDI传感器的高速度、低功耗的优点,代表业内最先进水平。除了普通相机版本之外,更是提供了近红外相机版本,用以适应更多的工业应用场景。
相机数据接口采用CoaXPress2.0协议传输,单根线缆最大传输数据量高达12.5Gbps,能为用户提供高速可靠的数据传输。同时集成多种的ISP图像处理技术,兼具高速、高精度、高性能等特点。
产品特点:
1.丰富的ISP图像处理技术,平场校正、LUT、Gamma校正、黑电平调节等
2.提供4路CoaXPress-12数据接口,最高行频可达100kHZ
3.多路双向可配置GPIO接口,输入/输出可灵活配置
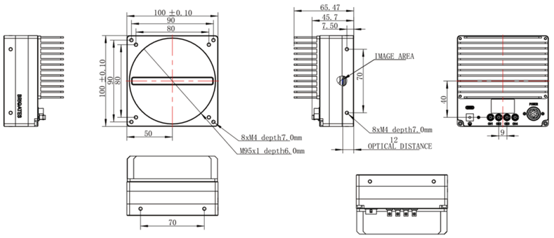
4.结构设计紧凑,散热片、风扇多种版本可选
应用范围:
1.基板检查
2.FPD检测
3.PCB检测
4.数字病理学
5.荧光成像

